Датчик установки ускорения (педаль газа)

Модератор: Техмодераторы

Ответить
Аватара пользователя

Автор
*Casper*
Руководитель
Сообщения: 42252
Зарегистрирован: 10 янв 2010, 23:33
Полное имя: Санчело Мастраяни
Автомобиль: Другой
Двигатель: Другой
Трансмиссия: Другая
Год выпуска: 2023
Климатика: Климат-контроль
Люк на крыше: Есть
Откуда: Торжок [69]
Контактная информация:

Датчик установки ускорения (педаль газа)

#1 Сообщение *Casper* » 11 апр 2010, 21:52

Устройство, называемое в народе педалью газа, по сути есть датчик установки уровня ускорения. Или датчик акселератора. На протяжении всей эпохи автомобилестроения данный датчик (педаль газа) радикально модифицировался. Сначала это был регулятор подачи бензина в смеситель, затем эта педаль управляла воздушной заслонкой в карбюраторе, а также момент нажатия добавлял немного бензину туда и теперь это простой электронный датчик - резистор.


Педаль газа в нашей машинке представляет из себя сдвоенный резистор - потенциометр. Устройство достаточно примитивное. Схема устройства


Монтажная плата педали

Нумерация слева направо

Ползунок и сама педаль




Однако не все так просто. Педалька имеет регулировку и без лишней необходимости ее не стоит разбирать, ибо неотрегулированная педаль может стать причиной аварии. Регулируется не сложно. Ослабленные винты дают возможность регулировать положение резистора относительно ползунка.

Положение №1 - это положение при котором возможно не удастся снизить обороты ниже 2000.


Положение №2 - нормальное положение


Положение №3 - Положение излишнего запаздывания регулирования.


Все эти три положения следует учитывать при регулировании. В первом положение будет моментальный отзыв на педаль, но при этом обороты возможно не будут в режиме ХХ. То есть как бы машина будет постоянно подгазовывать.
В положении 2 педаль установленна с завода (положение регулирования). В этом положении достигается компромисс между временем реакции и удержанием холостого хода.
Положение 3 - это положение запаздывания реакции регулирования. То есть в этом положении будет казаться, что фьюжик задумчиво реагирует на педаль газа.

За счет такой вот корректировки можно отрегулировать время реакции на нажатие педали газа без использования IDS.

Статья

Аватара пользователя

SAnat
ФЬЮЖЕМУЧИТЕЛЬ
Сообщения: 7033
Зарегистрирован: 19 апр 2012, 19:11
Полное имя: Станислав
Автомобиль: FFn Core
Двигатель: 1.4 Бензин
Трансмиссия: Механическая
Год выпуска: 2006
Люк на крыше: Нет
Откуда: Свердловская область

Датчик установки ускорения (педаль газа)

#2 Сообщение SAnat » 21 сен 2020, 07:53

Спасибо за статью :hat:
Сэкономила время на разборке педали.

Добавлю еще распиновку
pedal1.JPG
pedal2.JPG
- Любое вмешательство в педаль газа может привезти к ее заклиниванию в рабочем положении, то есть машину может понести, что приведет к ДТП.
Вмешательство в педаль, бездумное, очень опасно :super:
- Устройство педали классическое, как и везде, плата педали очень похожа на плату от лада гранта/калина.
Соответственно, классические доработки педали тут тоже проходят, демферы/поджимы и прочая хрень.
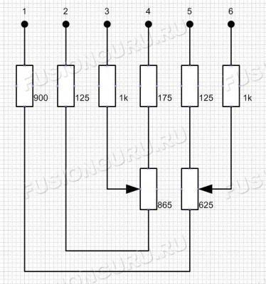
- В отличии от фокуса оба потенциометра нашей педали идут сразу в ЭБУ (у фокуса один из потенциометров в приборку уходит).
- Принцип простой, приходит на каждый потенциометр 5 вольт, и в зависимости от сопротивления (степени нажатия на педаль), эти 5 вольт понижаются на выходном (сигнальном проводе), по пониженному напряжению ЭБУ и понимает насколько водитель хочет ускорить машину.
- Первый потенциометр (контакты 2-3) является рабочим, по нему ЭБУ понимает чего водитель хочет.
- Второй потенциометр (контакты 1-6) является проверочным, то есть меняется сопротивление первого потенциометра, соответственно на определенную величину должно поменяться сопротивление второго.
- Если сопротивление второго не меняется вслед за первым, или меняется неправильно, под капотом происходит щелчок, на газ сразу пропадает реакция автомобиля, на приборной панели загораются чек-энджн и знак шестеренки, а в ошибки записывается что неправильный сигнал педали (расхождение между датчиками А и В педали газа).
- строить круиз вам не советую, это опасно и за то время, что вы его будете строить, заработать (закалымить) можно намного больше, чем стоимость уже готового изделия viewtopic.php?f=78&t=17243
- мне нужен был РУД (рычаг управления двигателем), поэтому я аккуратно полез на очередной колхозинг.

Отправлено спустя 9 минут 56 секунд:
Забыл.
- Земли обоих потенциометров (контакты 4 и 5) общие между собой и кузовом. То есть звонятся между собой и звонятся на кузов автомобиля.
У вас нет необходимых прав для просмотра вложений в этом сообщении.

Аватара пользователя

Автор
*Casper*
Руководитель
Сообщения: 42252
Зарегистрирован: 10 янв 2010, 23:33
Полное имя: Санчело Мастраяни
Автомобиль: Другой
Двигатель: Другой
Трансмиссия: Другая
Год выпуска: 2023
Климатика: Климат-контроль
Люк на крыше: Есть
Откуда: Торжок [69]
Контактная информация:

Датчик установки ускорения (педаль газа)

#3 Сообщение *Casper* » 21 сен 2020, 23:34

Добавлю. Землю с землёй не соединять. 0.1 ома токовый шунт.
Датчики пропорциональны и менять их надо оба. Обрыв цепи даёт такой же щелчок и аварийный режим. Причем любой цепи.

Ответить

Вернуться в «Электрооборудование»