Выбор нового аккумулятора

Модератор: Техмодераторы

Аватара пользователя

Doc Brown
Супермодератор
Сообщения: 18362
Зарегистрирован: 11 янв 2010, 09:50
Полное имя: Дмитрий
Двигатель: 1.6 Бензин
Трансмиссия: Автоматическая
Климатика: Климат-контроль
Люк на крыше: Нет
Откуда: Лопнувшая

Re: Выбор нового аккумулятора

#581 Сообщение Doc Brown » Сегодня, 12:08

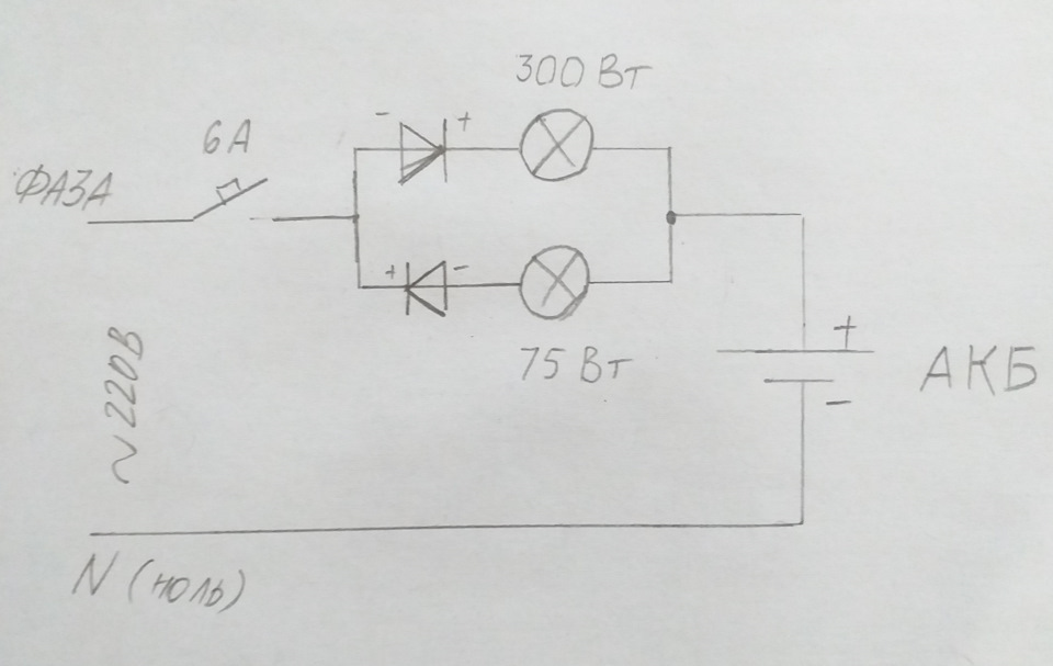
Кстати, рекомендуют не 1, а 2 диода:
Изображение
Наша цель - наносить пользу и причинять добро!

"Come on, you apes! You wanna live forever?" (c)

Ответить

Вернуться в «Электрооборудование»